سبد خرید خالی است
چراغ جلو
چراغ راهنمای جلو
CLEARANCE جلو چراغ
چراغ ترکیبی عقب
عقب UP چراغ
چراغ پلاک عقب
چراغ داخلی
باتری کابل GX6 CBR EFI TBO
گیره سیمکشی
نمایشگر
نمایشگر HT
INDICATOR
کامپیوتر رله کلید
سیستم تزریق سوخت الکترونیکی
CRUISE کنترل (AUTO_DRIVE)
الکترونیکی CONTROLLED گیربکس
ای بی اس وی اس سی
برفپاککن شیشه جلو
برفپاککن عقب SGT HT AVT HT
شوینده شیشه جلو
شوینده عقب SED SGT HT SGT HT AVT HT
چراغ جلو تمیز کننده HT AVT
درب موتور SOLENOID SXL XG AVT SGT
کندانسور تقویتکننده گیرنده رادیو
بلندگو
آنتن
بوق
آینه
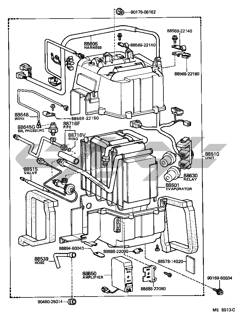
تهویه مطبوع گرمایش مجموعه
تهویه مطبوع گرمایش بخاری واحد فن
تهویه مطبوع گرمایش خنککننده واحد
تهویه مطبوع گرمایش کنترل هوا کانال
تهویه مطبوع گرمایش آب لوله GX6
تهویه مطبوع گرمایش وکیوم لوله GX6
تهویه مطبوع گرمایش خنککننده لوله
تهویه مطبوع گرمایش خنککننده لوله GX6
تهویه مطبوع گرمایش کمپرسور