سبد خرید خالی است
چراغ جلو
چراغ راهنمای جلو
CLEARANCE جلو چراغ
چراغ ترکیبی عقب
چراغ پلاک عقب
چراغ داخلی
باتری کابل GX6 CBR EFI TBO
گیره سیمکشی
نمایشگر
نمایشگر SED
INDICATOR
کامپیوتر رله کلید
سیستم تزریق سوخت الکترونیکی
CRUISE کنترل (AUTO_DRIVE)
ای بی اس وی اس سی
برفپاککن شیشه جلو
شوینده شیشه جلو
درب موتور SOLENOID SXL XG AVT SGT
کندانسور تقویتکننده گیرنده رادیو
بلندگو
آنتن
بوق
آینه
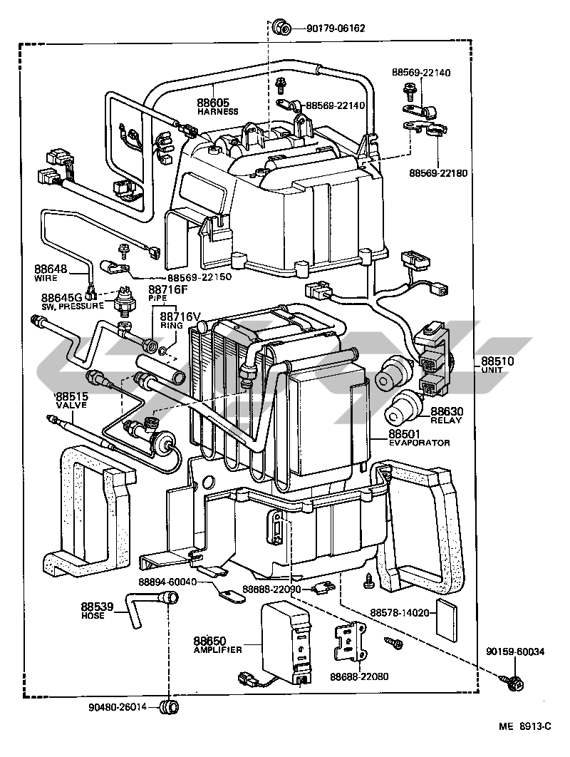
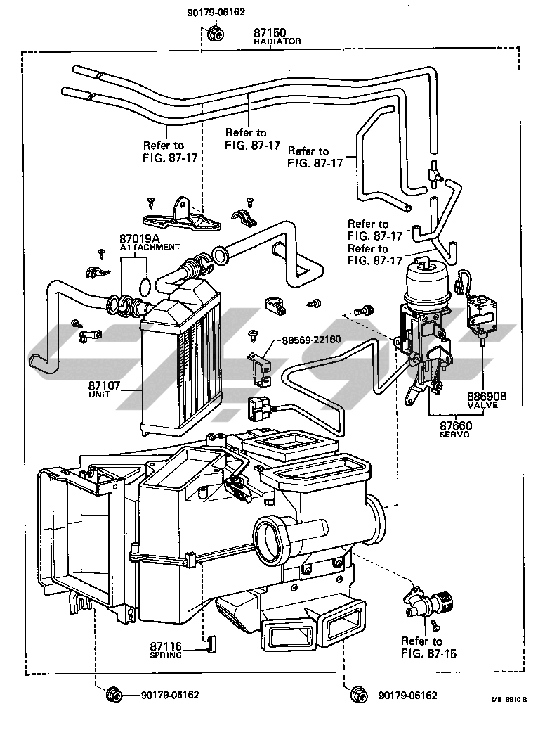
تهویه مطبوع گرمایش مجموعه
تهویه مطبوع گرمایش بخاری واحد فن
تهویه مطبوع گرمایش خنککننده واحد
تهویه مطبوع گرمایش کنترل هوا کانال
تهویه مطبوع گرمایش آب لوله GX6
تهویه مطبوع گرمایش وکیوم لوله GX6
تهویه مطبوع گرمایش خنککننده لوله
تهویه مطبوع گرمایش خنککننده لوله GX6
تهویه مطبوع گرمایش کمپرسور