سبد خرید خالی است
چراغ جلو
چراغ مه شکن
چراغ راهنمای جلو
چراغ راهنمای کناری و چراغ آینه بیرونی
چراغ ترکیبی عقب
چراغ پلاک عقب
چراغ توقف مرکزی
چراغ داخلی
باتری کابل
گیره سیمکشی
نمایشگر amp
نمایشگر
INDICATOR
کامپیوتر رله کلید
کامپیوتر رله کلید چپ
کامپیوتر رله کلید راست
سیستم تزریق سوخت الکترونیکی
CRUISE کنترل (AUTO_DRIVE)
OVERDRIVE الکترونیکی CONTROLLED گیربکس
ای بی اس وی اس سی
LIGHT AUTOMATIC کنترل سیستم (CONLIGHT)
کنترل ارتفاع الکترونیکی
الکترونیکی MODULATED تعلیق
کیسه هوا
برفپاککن شیشه جلو
شوینده شیشه جلو
درب موتور SOLENOID
صندلی موتور بخاری amp
صندلی موتور بخاری
قدرت CURTAIN
کندانسور تقویتکننده گیرنده رادیو
بلندگو
آنتن
بوق
TELEPHONE MAYDAY
آینه
تهویه مطبوع گرمایش مجموعه
تهویه مطبوع گرمایش بخاری واحد فن
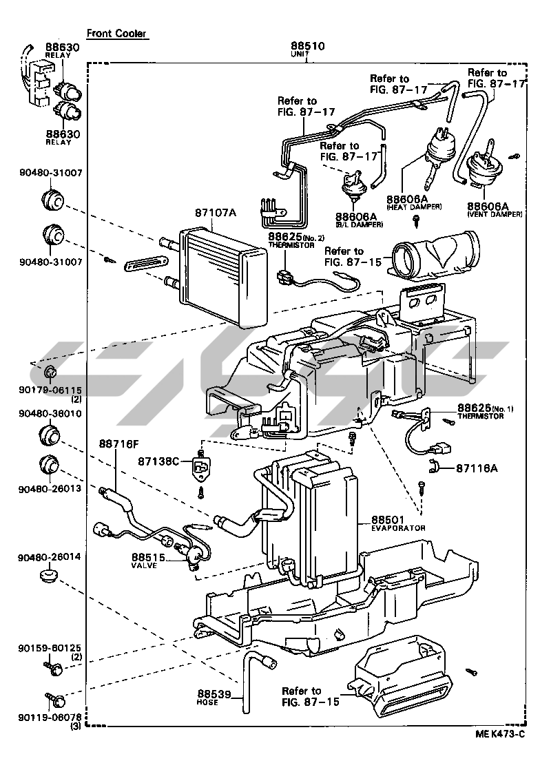
تهویه مطبوع گرمایش خنککننده واحد
تهویه مطبوع گرمایش کنترل هوا کانال
تهویه مطبوع گرمایش آب لوله
تهویه مطبوع گرمایش وکیوم لوله
تهویه مطبوع گرمایش خنککننده لوله
تهویه مطبوع گرمایش کمپرسور