سبد خرید خالی است
چراغ جلو
چراغ مه شکن
چراغ راهنمای جلو
CLEARANCE جلو چراغ
چراغ راهنمای کناری و چراغ آینه بیرونی
چراغ ترکیبی عقب
چراغ پلاک عقب
چراغ داخلی
باتری کابل
گیره سیمکشی
نمایشگر
INDICATOR
کامپیوتر رله کلید
سیستم تزریق سوخت الکترونیکی
CRUISE کنترل (AUTO_DRIVE)
ای بی اس وی اس سی
LIGHT AUTOMATIC کنترل سیستم (CONLIGHT)
کنترل ارتفاع الکترونیکی
برفپاککن شیشه جلو
شوینده شیشه جلو
درب موتور SOLENOID
صندلی موتور بخاری
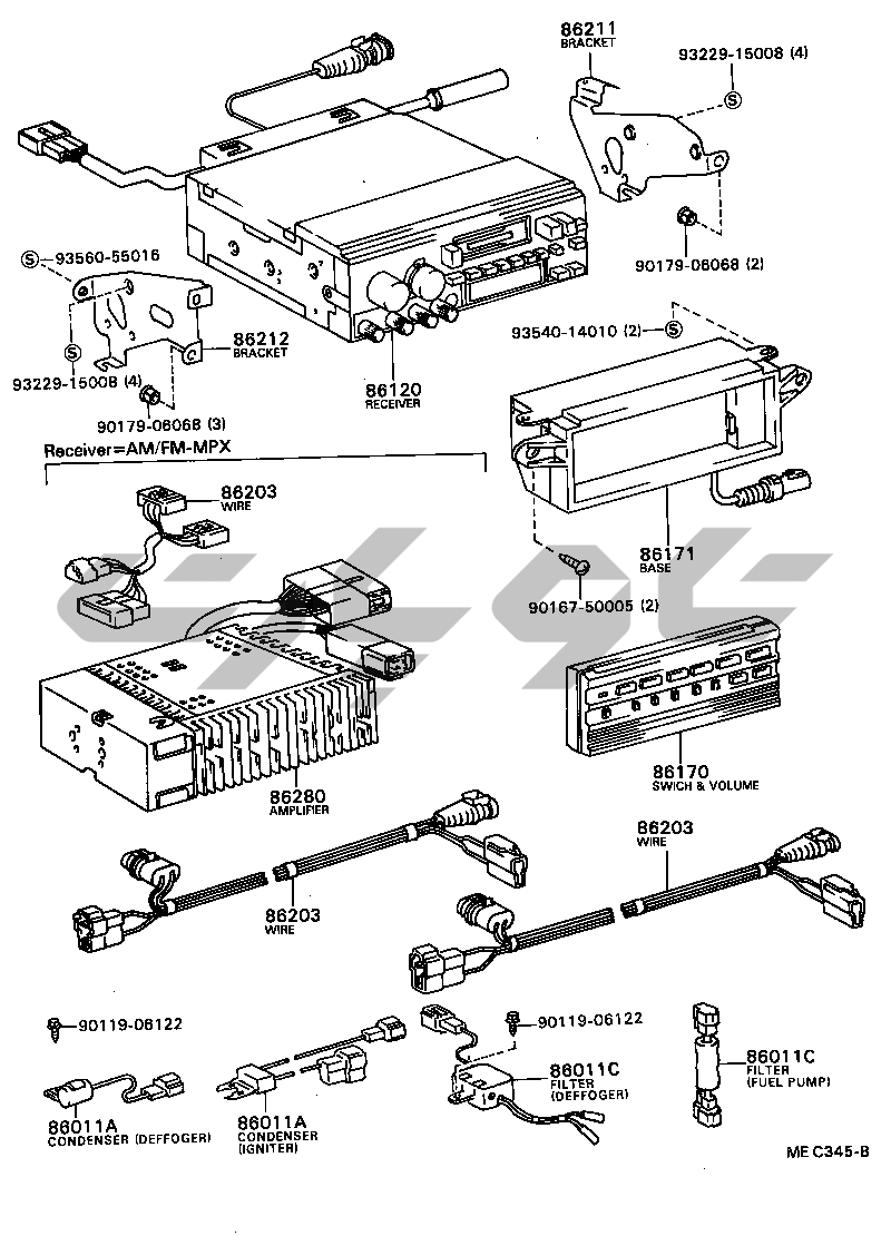
کندانسور تقویتکننده گیرنده رادیو
بلندگو
آنتن
بوق
آینه
تهویه مطبوع گرمایش بخاری واحد فن
تهویه مطبوع گرمایش خنککننده واحد
تهویه مطبوع گرمایش کنترل هوا کانال
تهویه مطبوع گرمایش آب لوله
تهویه مطبوع گرمایش وکیوم لوله
تهویه مطبوع گرمایش خنککننده لوله
تهویه مطبوع گرمایش کمپرسور