سبد خرید خالی است
چراغ جلو
چراغ مه شکن
چراغ راهنمای کناری و چراغ آینه بیرونی
چراغ ترکیبی عقب
چراغ پلاک عقب
چراغ توقف مرکزی
چراغ داخلی
باتری کابل
گیره سیمکشی
نمایشگر
کامپیوتر رله کلید
سیستم تزریق سوخت الکترونیکی
CRUISE کنترل (AUTO_DRIVE)
OVERDRIVE الکترونیکی CONTROLLED گیربکس
ای بی اس وی اس سی
LIGHT AUTOMATIC کنترل سیستم (CONLIGHT)
CLEARANCE عقب SONAR
کنترل ارتفاع الکترونیکی
قفل درب بیسیم
کیسه هوا
دستگاه ANTI-THEFT amp
دستگاه ANTI-THEFT
برفپاککن شیشه جلو
شوینده شیشه جلو
کندانسور تقویتکننده گیرنده رادیو
بلندگو
نمایشگر جلو NAVIGATION
نمایشگر جلو NAVIGATION VICS
آنتن
نمایشگر مانیتور عقب دوربین
رادیو COMMUNICATION ETC
بوق
TELEPHONE MAYDAY
آینه
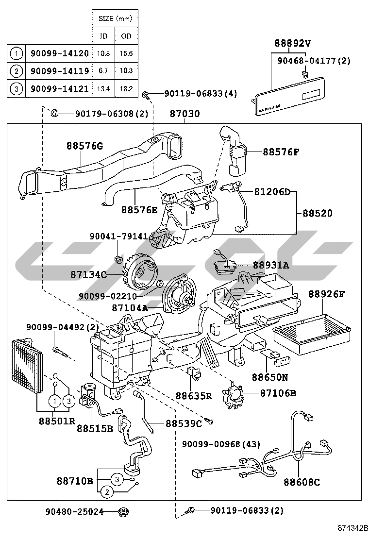
تهویه مطبوع گرمایش خنککننده واحد
تهویه مطبوع گرمایش کنترل هوا کانال
تهویه مطبوع گرمایش آب لوله
تهویه مطبوع گرمایش خنککننده لوله
تهویه مطبوع گرمایش کمپرسور
ژنراتور یون یا تصفیهکننده هوا