سبد خرید خالی است
چراغ جلو
چراغ مه شکن
چراغ راهنمای جلو
چراغ راهنمای کناری و چراغ آینه بیرونی
چراغ ترکیبی عقب
عقب UP چراغ
چراغ پلاک عقب
چراغ داخلی
باتری کابل
گیره سیمکشی
نمایشگر
INDICATOR
کامپیوتر رله کلید
سیستم تزریق سوخت الکترونیکی GTS
سیستم تزریق سوخت الکترونیکی
CRUISE کنترل (AUTO_DRIVE)
OVERDRIVE الکترونیکی CONTROLLED گیربکس
الکترونیکی CONTROLLED گیربکس
برفپاککن شیشه جلو
برفپاککن عقب
شوینده شیشه جلو
شوینده عقب
چراغ جلو تمیز کننده
درب موتور SOLENOID
کندانسور تقویتکننده گیرنده رادیو
بلندگو
آنتن
بوق
آینه
تهویه مطبوع گرمایش مجموعه
تهویه مطبوع گرمایش بخاری واحد فن
تهویه مطبوع گرمایش خنککننده واحد
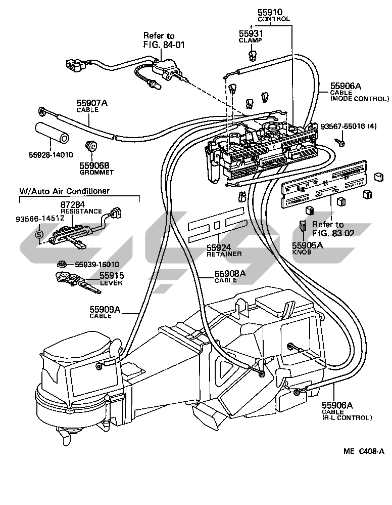
تهویه مطبوع گرمایش کنترل هوا کانال
تهویه مطبوع گرمایش آب لوله
تهویه مطبوع گرمایش آب لوله GTS GTT
تهویه مطبوع گرمایش وکیوم لوله
تهویه مطبوع گرمایش وکیوم لوله GTS GTT
تهویه مطبوع گرمایش خنککننده لوله GTS
تهویه مطبوع گرمایش خنککننده لوله GTS GTT
تهویه مطبوع گرمایش کمپرسور
تهویه مطبوع گرمایش کمپرسور GT GTS