سبد خرید خالی است
کلاچ RELEASE FORK S52 S53
کلاچ پدال FLEXIBLE شیلنگ
کلاچ اصلی سیلندر
کلاچ RELEASE سیلندر S52 S53 E150F E152F
واشر ترنس اکسل یا گیربکس مجموعه کیت S52 S53 (MTM)
کلاچ محفظه گیربکس CASE S52 S53 (MTM)
SPEEDOMETER DRIVEN دنده S52 S53 (MTM)
دنده گیربکس S52 S53 (MTM)
دنده تعویض FORK اهرم شافت S52 S53 (MTM)
نگهدارنده اهرم تعویض S52 S53
نگهدارنده اهرم تعویض S52 S53 E150F E151F E152F
نگهدارنده اهرم تعویض S52 S53 E150F E152F
مجموعه TRANSFER واشر کیت
CASE TRANSFER EXTENSION محفظه
دنده TRANSFER
اهرم TRANSFER تعویض ROD
JOINT پروانه شافت UNIVERSAL
هاب محور اکسل عقب
دیسک چرخ کلاهک
محفظه اکسل جلو دیفرانسیل S52 S53
شافت محور جلو SR
هاب اکسل جلو
شافت ستون فرمان
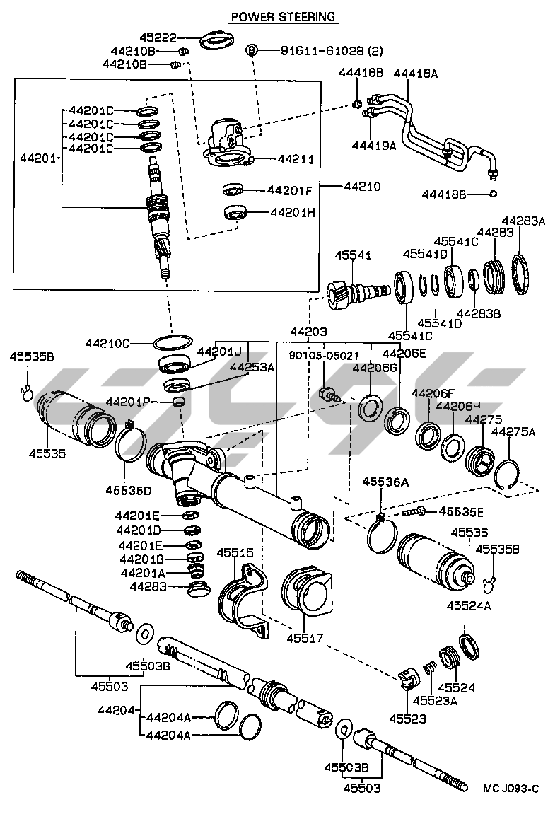
پمپ VANE مخزن CV GT4 GT4A GT4RC GTR SR (POWER_STEERING)
فرمان قدرت لوله SR ZR
فرمان قدرت لوله CV GT4 GT4A GT4RC GTR SR
فرمان CV GT4 GT4A GTR SR
فرمان SRS
اتصال دنده فرمان جلو
فرمان عقب CONNECTING PARTS (4WS)
فرمان عقب دنده (4WS)
کابل ترمز دستی
براکت پدال ترمز
سیلندر اصلی ترمز
بوستر ترمز وکیوم لوله
کاور گرد و غبار کالیپر ترمز دیسکی جلو
دیسک عقب ترمز کالیپر گرد و غبار درپوش CV SR
دیسک عقب ترمز کالیپر گرد و غبار درپوش
گیره لوله ترمز CV GTR SR
گیره لوله ترمز
کیت ترمز MAINTENANCE
مفصل فرمان بازوی اکسل جلو
کمک فنر فنر جلو CV GT4 GT4A GT4RC GTR SR
کمک فنر فنر عقب CV GTR SR
ACTIVE کنترل