سبد خرید خالی است
ابزار استاندارد
مجموعه جزئی موتور
بلوک کوتاه مجموعه
تعمیر اساسی موتور واشر کیت
سر سیلندر
بلوک سیلندر
دنده تایمینگ درپوش عقب END صفحه
نصب
شیلنگ تهویه MA3488A MA4954
میل لنگ پیستون
میل بادامک سوپاپ
زنجیر تایمینگ
پمپ روغن موتور
فیلتر روغن MA4481B MA0087H
پمپ آب
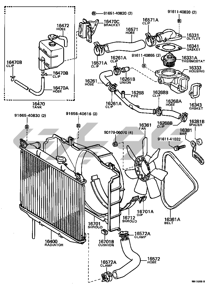
خروجی آب رادیاتور
منیفولد (لوله ورودی/خروجی موتور)
لوله اگزوز 18RGEU 2TGEU
فیلتر هوا
لوله وکیوم
صفحه هشدار نام صفحه (موتور)
کویل جرقه، شمع، شمع گرمکن MEA533A
DISTRIBUTOR
دینام 18RGEU 2TGEU 3T
استارت
سیستم تزریق سوخت