سبد خرید خالی است
ابزار استاندارد
مجموعه جزئی موتور
بلوک کوتاه مجموعه
تعمیر اساسی موتور واشر کیت 5MGEU
سر سیلندر
بلوک سیلندر
دنده تایمینگ درپوش عقب END صفحه
نصب 5MGEU
شیلنگ تهویه
میل لنگ پیستون
میل بادامک سوپاپ
زنجیر تایمینگ
پمپ روغن موتور 5MGEU
فیلتر روغن MA4481B MA0087H 5MGEU
موتور روغن خنککننده
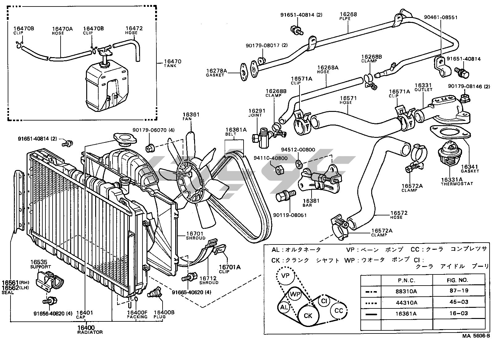
پمپ آب
خروجی آب رادیاتور
رادیاتور اینترکولر SUB
منیفولد (لوله ورودی/خروجی موتور)
لوله اگزوز
فیلتر هوا
لوله وکیوم 5MGEU
لوله وکیوم
صفحه هشدار نام صفحه (موتور)
کویل جرقه، شمع، شمع گرمکن
DISTRIBUTOR
دینام 5MGEU
دینام 1GGEU 5MGEU
استارت 5MGEU
استارت
سیستم تزریق سوخت
سیستم تزریق سوخت 5MGEU
سیستم گردش مجدد گاز اگزوز