سبد خرید خالی است
نگهدارنده اهرم تعویض
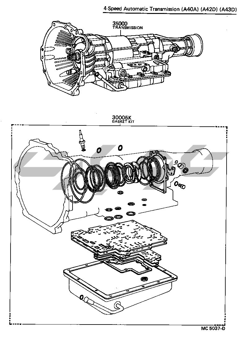
واشر ترنس اکسل یا گیربکس مجموعه کیت (ATM)
مبدل گشتاور , جلو روغن پمپ زنجیر (ATM)
CASE گیربکس روغن کف (ATM)
محفظه EXTENSION (ATM)
SPEEDOMETER DRIVEN دنده (ATM)
دنده OVERDRIVE GT GTT (ATM)
دیسک ترمز BAND MULTIPLE کلاچ ST (ATM)
SUPPORT مرکز PLANETARY SUN دنده GT GTT (ATM)
ترمز NO.3, REVERSE (ATM)
پیستون PLANETARY GEAR, REVERSE COUNTER دنده (ATM)
پمپ روغن عقب GOVERNOR (ATM)
سوپاپ بدنه روغن STRAINER GT GTT (ATM)
سوپاپ بدنه روغن STRAINER (ATM)
اتصال دریچه گاز سوپاپ اهرم (ATM)
اتصال دریچه گاز سوپاپ اهرم MA6 (ATM)
لوله روغن خنککننده (ATM)
JOINT پروانه شافت UNIVERSAL GT GTR ST SV SX
محفظه اکسل عقب دیفرانسیل ST
هاب محور اکسل عقب MA6
هاب محور اکسل عقب GT GTR ST
دیسک چرخ کلاهک
هاب اکسل جلو
شافت ستون فرمان
شافت ستون فرمان ST MA6 GT GTT ST SX
پمپ VANE مخزن (POWER_STEERING)
فرمان قدرت لوله
فرمان
اتصال دنده فرمان جلو
کابل ترمز دستی
کابل ترمز دستی MA6 GT GTT
براکت پدال ترمز
سیلندر اصلی ترمز
بوستر ترمز وکیوم لوله
کاور گرد و غبار کالیپر ترمز دیسکی جلو MA6
کاور گرد و غبار کالیپر ترمز دیسکی جلو
دیسک عقب ترمز کالیپر گرد و غبار درپوش MA6 GT GTT
دیسک عقب ترمز کالیپر گرد و غبار درپوش MA6 GT GTT SX
گیره لوله ترمز
کیت ترمز MAINTENANCE
مفصل فرمان بازوی اکسل جلو
کمک فنر فنر جلو
کمک فنر فنر عقب MA6