سبد خرید خالی است
چراغ جلو
چراغ مه شکن
چراغ راهنمای جلو
چراغ ترکیبی عقب
چراغ پلاک عقب
چراغ داخلی
باتری کابل
گیره سیمکشی
نمایشگر
INDICATOR
کامپیوتر رله کلید
سیستم تزریق سوخت الکترونیکی
CRUISE کنترل (AUTO_DRIVE)
OVERDRIVE الکترونیکی CONTROLLED گیربکس
الکترونیکی CONTROLLED گیربکس
برفپاککن شیشه جلو
برفپاککن عقب
شوینده شیشه جلو
شوینده عقب
چراغ جلو تمیز کننده
درب موتور SOLENOID
کندانسور تقویتکننده گیرنده رادیو
بلندگو
آنتن
بوق
آینه
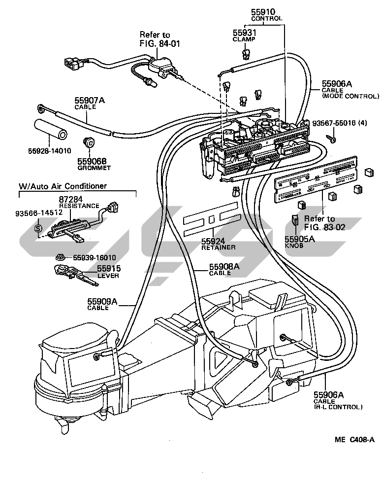
تهویه مطبوع گرمایش مجموعه
تهویه مطبوع گرمایش بخاری واحد فن
تهویه مطبوع گرمایش خنککننده واحد
تهویه مطبوع گرمایش کنترل هوا کانال
تهویه مطبوع گرمایش آب لوله
تهویه مطبوع گرمایش آب لوله GTS GTT
تهویه مطبوع گرمایش وکیوم لوله
تهویه مطبوع گرمایش وکیوم لوله GTS GTT
تهویه مطبوع گرمایش خنککننده لوله MA6 GT GTR ST SV SX
تهویه مطبوع گرمایش خنککننده لوله GTS GTT
تهویه مطبوع گرمایش کمپرسور