سبد خرید خالی است
چراغ جلو DISCHARGE
چراغ جلو HALOGEN
چراغ جلو ال ای دی چراغ جلو XLE
چراغ مه شکن LE SE
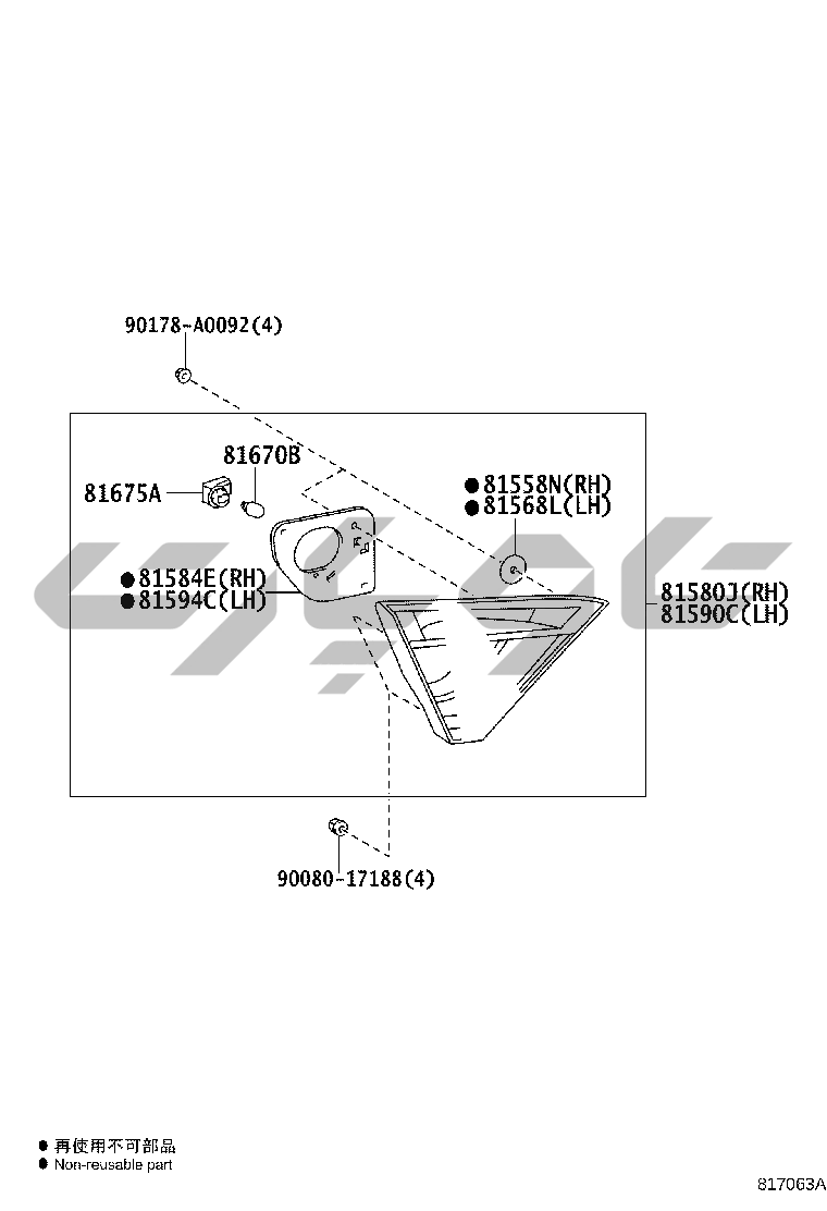
چراغ راهنمای جلو XLE
چراغ راهنمای کناری و چراغ آینه بیرونی KOREA SPEC LE XLE
چراغ ترکیبی عقب
عقب UP چراغ
چراغ پلاک عقب
چراغ توقف مرکزی
چراغ داخلی
باتری کابل 12 ولت
باتری کابل ولتاژ بالا
گیره سیمکشی براکت
گیره سیمکشی CONNECTOR
گیره سیمکشی درب
گیره سیمکشی موتور
گیره سیمکشی موتور محفظه
گیره سیمکشی کف سقف
گیره سیمکشی HIGH TENSION کابل
گیره سیمکشی دستگاه پنل
گیره سیمکشی صندلی
نمایشگر OPTITRON
کامپیوتر رله کلید محافظ
کامپیوتر رله کلید درب سقف کف صندوق
کامپیوتر رله کلید موتور گیربکس
کامپیوتر رله کلید موتور محفظه
کامپیوتر رله کلید دستگاه پنل
کامپیوتر رله کلید صندلی LE SE XLE
کامپیوتر رله کلید فرمان
سیستم تزریق سوخت الکترونیکی
CRUISE کنترل (AUTO_DRIVE)
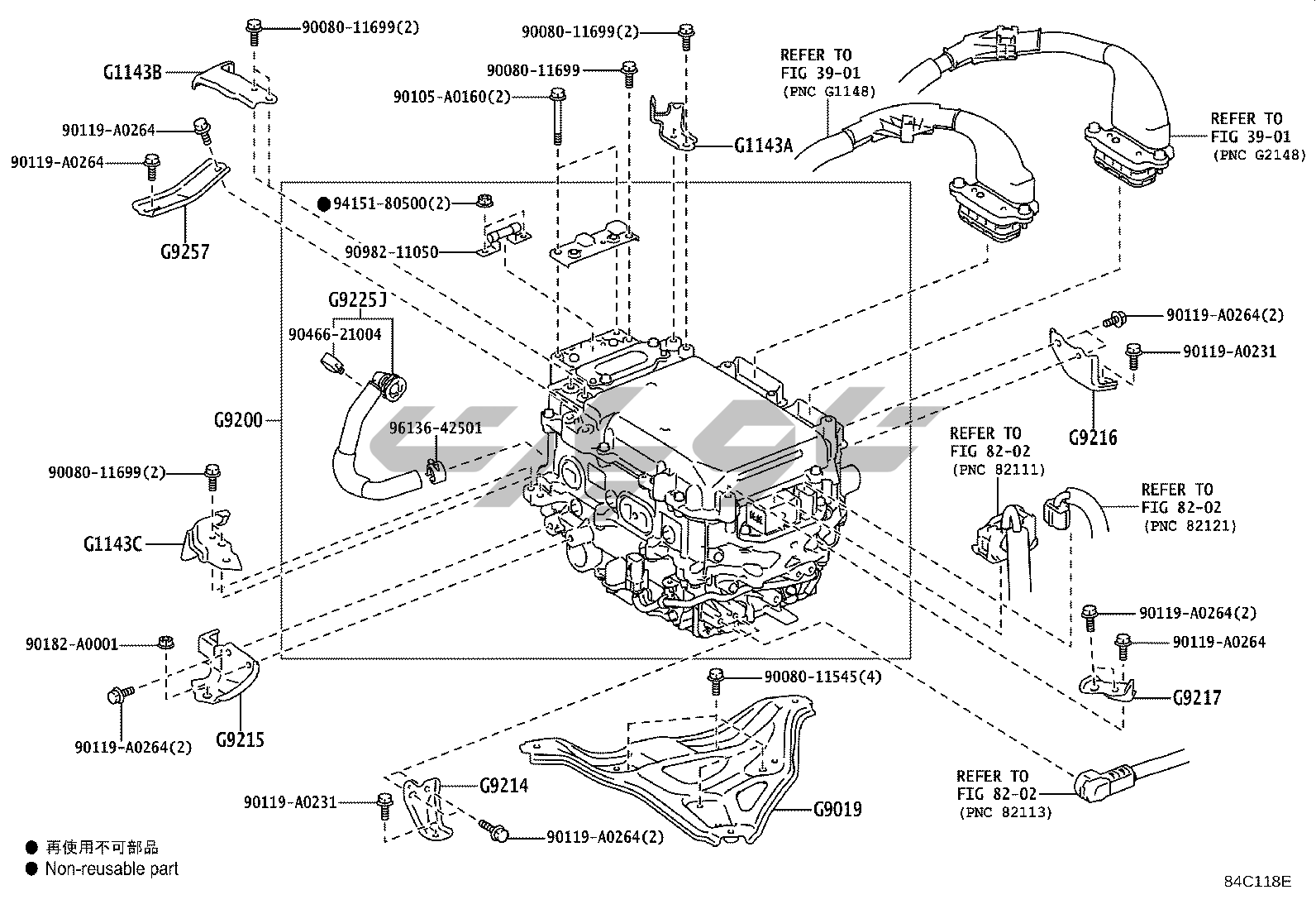
OVERDRIVE الکترونیکی CONTROLLED گیربکس
ای بی اس وی اس سی
CLEARANCE عقب SONAR
CLEARANCE عقب SONAR LE XLE
کنترل ارتفاع الکترونیکی XLE XSE
قفل درب بیسیم O SMART ENTRY LE SE
قفل درب بیسیم SMART ENTRY SE
قفل درب بیسیم SMART ENTRY
کیسه هوا
هیبریدی اینورتر
خنککننده اینورتر
PRESSURE لاستیک WARNING سیستم
برفپاککن شیشه جلو
شوینده شیشه جلو
کندانسور تقویتکننده گیرنده رادیو
بلندگو
نمایشگر جلو NAVIGATION
آنتن
نمایشگر مانیتور عقب دوربین
LANE-KEEPING کمکی XLE
بوق
TELEPHONE MAYDAY
آینه
تهویه مطبوع گرمایش خنککننده واحد
تهویه مطبوع گرمایش خنککننده واحد O RING
تهویه مطبوع گرمایش کنترل هوا کانال هوا کانال
تهویه مطبوع گرمایش کنترل هوا کانال کنترل پنل
تهویه مطبوع گرمایش کنترل هوا کانال سنسور
تهویه مطبوع گرمایش آب لوله
تهویه مطبوع گرمایش خنککننده لوله
تهویه مطبوع گرمایش خنککننده لوله O RING
تهویه مطبوع گرمایش کمپرسور