سبد خرید خالی است
چراغ جلو
چراغ راهنمای جلو
CLEARANCE جلو چراغ
چراغ ترکیبی عقب
چراغ داخلی
باتری کابل
گیره سیمکشی
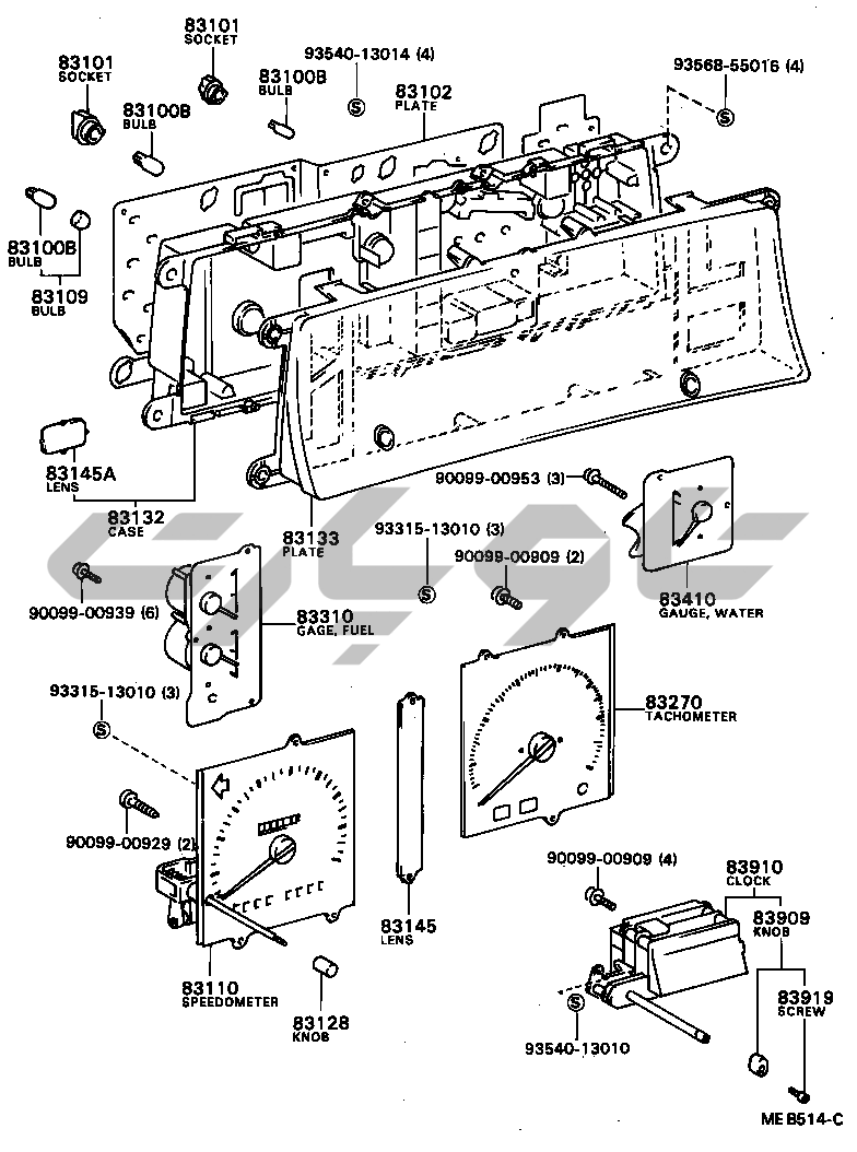
نمایشگر SE VE XE VL XT VF VR VS VX XS ZE
نمایشگر
INDICATOR
کامپیوتر رله کلید
سیستم تزریق سوخت الکترونیکی
CRUISE کنترل (AUTO_DRIVE)
OVERDRIVE الکترونیکی CONTROLLED گیربکس
الکترونیکی CONTROLLED گیربکس
برفپاککن شیشه جلو
برفپاککن عقب
شوینده شیشه جلو
شوینده عقب
درب موتور SOLENOID
کندانسور تقویتکننده گیرنده رادیو
بلندگو
آنتن
بوق
آینه
تهویه مطبوع گرمایش مجموعه
تهویه مطبوع گرمایش بخاری واحد فن
تهویه مطبوع گرمایش خنککننده واحد
تهویه مطبوع گرمایش کنترل هوا کانال
تهویه مطبوع گرمایش آب لوله
تهویه مطبوع گرمایش وکیوم لوله
تهویه مطبوع گرمایش خنککننده لوله
تهویه مطبوع گرمایش کمپرسور