سبد خرید خالی است
چراغ جلو
BEAM چراغ جلو SINGLE LED
چراغ راهنمای کناری و چراغ آینه بیرونی
چراغ ترکیبی عقب
چراغ پلاک عقب
REFLEX REFLECTOR
چراغ توقف مرکزی
چراغ داخلی
باتری کابل 12 ولت
باتری کابل EV
باتری کابل SERVICE پلاگ
گیره سیمکشی براکت
گیره سیمکشی CONNECTOR
گیره سیمکشی درب
گیره سیمکشی کف سقف
گیره سیمکشی HIGH VOLTAGE کابل
گیره سیمکشی دستگاه پنل
گیره سیمکشی موتور محفظه
گیره سیمکشی صندلی
نمایشگر
کامپیوتر رله کلید کنسول جعبه
کامپیوتر رله کلید محافظ
کامپیوتر رله کلید درب سقف
کامپیوتر رله کلید کف عقب درب
کامپیوتر رله کلید دستگاه پنل
کامپیوتر رله کلید موتور محفظه
کامپیوتر رله کلید موتور محفظه رله بلوک
کامپیوتر رله کلید صندلی
کامپیوتر رله کلید فرمان
CRUISE کنترل (AUTO_DRIVE)
ای بی اس وی اس سی
CLEARANCE عقب SONAR
کنترل ارتفاع الکترونیکی
قفل درب بیسیم
کیسه هوا
دستگاه ANTI-THEFT
PRESSURE لاستیک WARNING سیستم
برقی خنک کننده
DC مبدل CHARGER (BEV یا FCEV)
DC مبدل CHARGER CHARGE کابل (BEV یا FCEV)
کنترل کامپیوتر (BEV یا FCEV)
اینورتر (BEV یا FCEV)
برفپاککن شیشه جلو
شوینده شیشه جلو بخاری
شوینده شیشه جلو O بخاری
شوینده عقب
کندانسور تقویتکننده گیرنده رادیو
بلندگو 6SPEAKER
بلندگو 9SPEAKER
نمایشگر جلو NAVIGATION
آنتن
نمایشگر مانیتور عقب دوربین
بوق
TELEPHONE MAYDAY
سیستم PRE-COLLISION
آینه
تهویه مطبوع گرمایش بخاری واحد فن
تهویه مطبوع گرمایش خنککننده واحد DAMPER SERVO
تهویه مطبوع گرمایش خنککننده واحد
تهویه مطبوع گرمایش کنترل هوا کانال هوا کانال
تهویه مطبوع گرمایش کنترل هوا کانال بخاری کنترل
تهویه مطبوع گرمایش کنترل هوا کانال سنسور
تهویه مطبوع گرمایش آب لوله
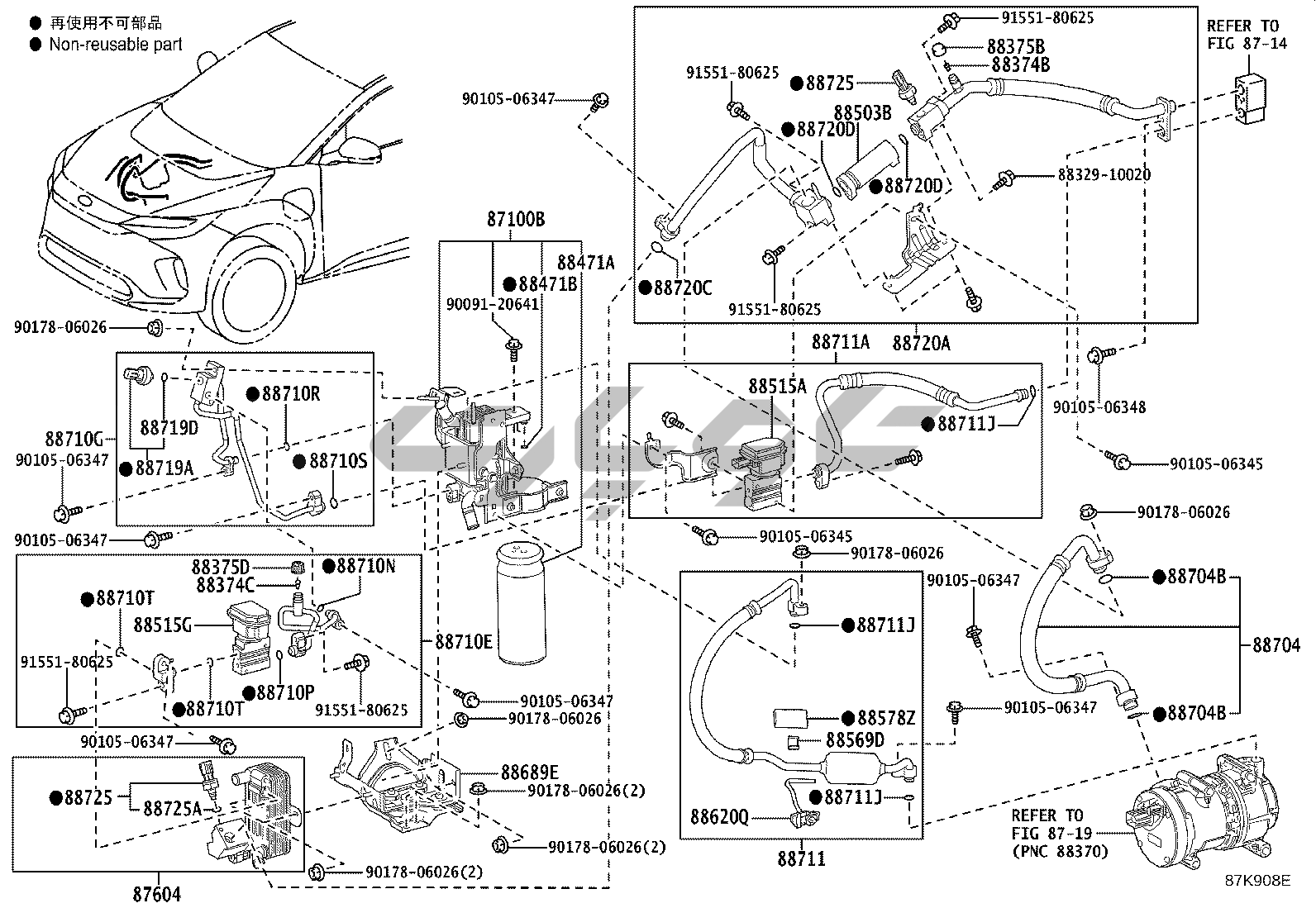
تهویه مطبوع گرمایش خنککننده لوله
تهویه مطبوع گرمایش کمپرسور