سبد خرید خالی است
نگهدارنده اهرم تعویض
واشر ترنس اکسل یا گیربکس مجموعه کیت A650E (ATM)
مبدل گشتاور , جلو روغن پمپ زنجیر (ATM)
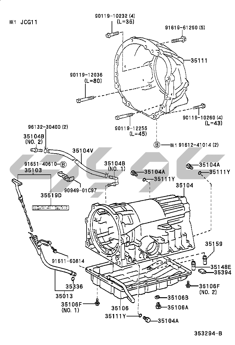
CASE گیربکس روغن کف A650E (ATM)
محفظه EXTENSION A650E (ATM)
دنده OVERDRIVE A340H A650E (ATM)
دیسک ترمز BAND MULTIPLE کلاچ A650E (ATM)
SUPPORT مرکز PLANETARY SUN دنده A650E (ATM)
ترمز NO.3, REVERSE A650E (ATM)
پیستون PLANETARY GEAR, REVERSE COUNTER دنده A650E (ATM)
سوپاپ بدنه روغن STRAINER A650E (ATM)
اتصال دریچه گاز سوپاپ اهرم A650E (ATM)
لوله روغن خنککننده A650E (ATM)
JOINT پروانه شافت UNIVERSAL
محفظه اکسل عقب دیفرانسیل
هاب محور اکسل عقب
دیسک چرخ کلاهک
شافت محور جلو چپ
شافت محور جلو راست
هاب اکسل جلو
شافت ستون فرمان
پمپ VANE مخزن (POWER_STEERING)
فرمان قدرت لوله
فرمان SPOKE
اتصال دنده فرمان جلو
کابل ترمز دستی
براکت پدال ترمز
سیلندر اصلی ترمز
کاور گرد و غبار کالیپر ترمز دیسکی جلو
دیسک عقب ترمز کالیپر گرد و غبار درپوش
گیره لوله ترمز
مفصل فرمان بازوی اکسل جلو
کمک فنر فنر جلو
کمک فنر فنر عقب