سبد خرید خالی است
ابزار استاندارد
مجموعه جزئی موتور
بلوک کوتاه مجموعه
تعمیر اساسی موتور واشر کیت
سر سیلندر
بلوک سیلندر
دنده تایمینگ درپوش عقب END صفحه
نصب
شیلنگ تهویه MA3067 MA7518
میل لنگ پیستون
میل بادامک سوپاپ
پمپ روغن موتور
فیلتر روغن
موتور روغن خنککننده
پمپ آب
خروجی آب رادیاتور
V-BELT
منیفولد (لوله ورودی/خروجی موتور)
لوله اگزوز
فیلتر هوا
لوله وکیوم
صفحه هشدار نام صفحه (موتور)
کویل جرقه، شمع، شمع گرمکن
دینام
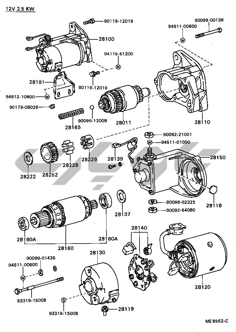
استارت
پمپ وکیوم
تزریق NOZZLE
پمپ تزریق مجموعه
پمپ تزریق بدنه
فیلتر سوخت