تویوتا Parts Catalog
برندنامکد
تویوتاتویوتاblizzard-ld10rv-kcqTOYOTA

دسته بندی

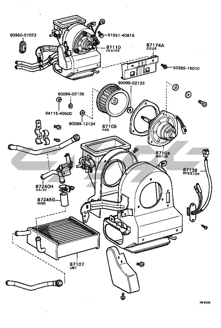
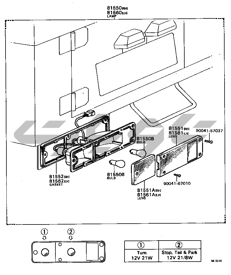
الکتریکی

تعداد کاتالوگ ها: 29