سبد خرید خالی است
چراغ جلو
چراغ جلو HID
چراغ مه شکن
چراغ راهنمای کناری و چراغ آینه بیرونی
چراغ ترکیبی عقب
چراغ پلاک عقب
چراغ مه شکن عقب
چراغ توقف مرکزی
چراغ داخلی
باتری کابل
گیره سیمکشی
نمایشگر
کامپیوتر رله کلید
سیستم تزریق سوخت الکترونیکی
ای بی اس وی اس سی
کنترل ارتفاع الکترونیکی
قفل درب بیسیم
کیسه هوا
برفپاککن شیشه جلو
برفپاککن عقب
شوینده شیشه جلو
شوینده عقب
کندانسور تقویتکننده گیرنده رادیو
بلندگو
نمایشگر جلو NAVIGATION
آنتن
رادیو COMMUNICATION ETC
بوق AERO
بوق STD
آینه
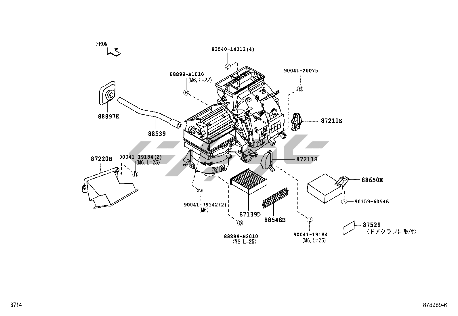
تهویه مطبوع گرمایش خنککننده واحد
تهویه مطبوع گرمایش خنککننده واحد AUTO
تهویه مطبوع گرمایش خنککننده واحد MANUAL
تهویه مطبوع گرمایش کنترل هوا کانال
تهویه مطبوع گرمایش آب لوله
تهویه مطبوع گرمایش خنککننده لوله
تهویه مطبوع گرمایش کمپرسور