سبد خرید خالی است
چراغ جلو
چراغ مه شکن ALT ATRS ATRSX ATX GD GLX HBD PRD SE SPVS
چراغ راهنمای کناری و چراغ آینه بیرونی ALT ATRS ATRSX ATX GD GLX HBD PRD SE SPVS TOU
چراغ ترکیبی عقب
عقب UP چراغ
چراغ پلاک عقب
REFLEX REFLECTOR
چراغ توقف مرکزی
چراغ داخلی
باتری کابل
گیره سیمکشی براکت
گیره سیمکشی CONNECTOR
گیره سیمکشی درب
گیره سیمکشی موتور
گیره سیمکشی موتور محفظه
گیره سیمکشی کف سقف
گیره سیمکشی دستگاه پنل
گیره سیمکشی صندلی ATRS ATRSX ATX GD GLX HBD PRD SE SPVS
نمایشگر
کامپیوتر رله کلید محافظ
کامپیوتر رله کلید درب سقف کف صندوق درب
کامپیوتر رله کلید موتور گیربکس
کامپیوتر رله کلید موتور محفظه
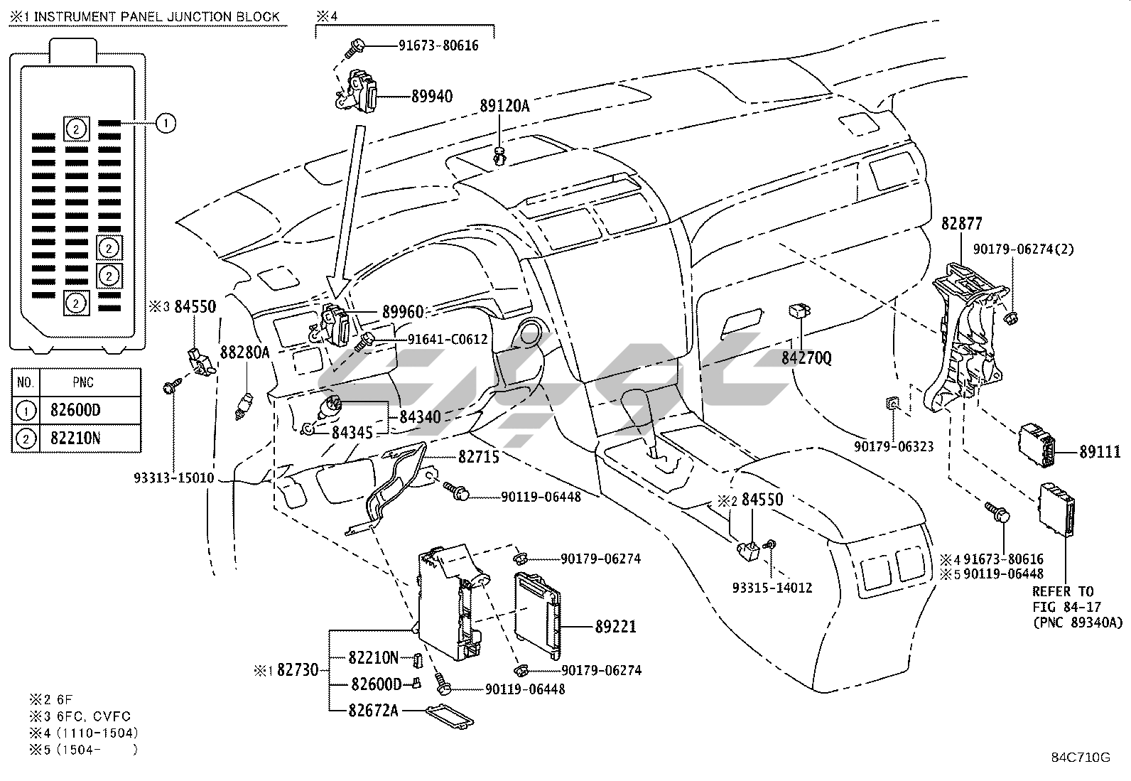
کامپیوتر رله کلید دستگاه پنل
کامپیوتر رله کلید صندلی ATRS ATRSX ATX GD GLX HBD PRD SE SPVS
کامپیوتر رله کلید فرمان
سیستم تزریق سوخت الکترونیکی
CRUISE کنترل 6F GLX SE ATRS HBD ALT ATRSX ATX GD GL PRD SPVS (AUTO_DRIVE)
ای بی اس وی اس سی
قفل درب بیسیم O SMART ENTRY ATX ALT GL GLX
کیسه هوا
دستگاه ANTI-THEFT ATX ALT GL GLX SE
برفپاککن شیشه جلو
شوینده شیشه جلو O چراغ جلو تمیز کننده ALT ATRS ATRSX ATX GL GLX HBD PRD SE SPVS
کندانسور تقویتکننده گیرنده رادیو
بلندگو
نمایشگر جلو NAVIGATION GLX
آنتن
نمایشگر مانیتور عقب دوربین ALT ATRS ATRSX ATX GD GLX HBD PRD SE SPVS
بوق
آینه
تهویه مطبوع گرمایش خنککننده واحد AUTO هوا CONDITIONER GD GLX SE
تهویه مطبوع گرمایش خنککننده واحد O RING
تهویه مطبوع گرمایش کنترل هوا کانال هوا کانال
تهویه مطبوع گرمایش کنترل هوا کانال کنترل پنل AUTO ATRS ATRSX GLX HBD
تهویه مطبوع گرمایش کنترل هوا کانال سنسور
تهویه مطبوع گرمایش آب لوله
تهویه مطبوع گرمایش خنککننده لوله
تهویه مطبوع گرمایش خنککننده لوله O RING
تهویه مطبوع گرمایش کمپرسور