سبد خرید خالی است
کاور زیر تیر عرضی تعلیق GT GTBGL GTBL LBP LHP LIMD RCG
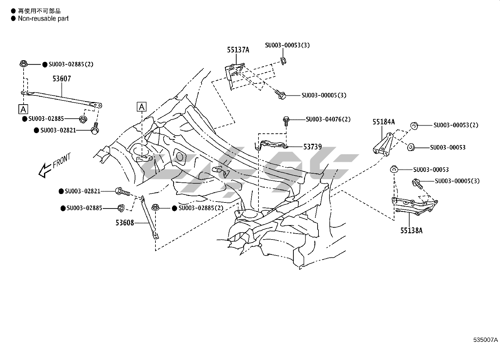
کاور زیر تیر عرضی تعلیق
اتصال سپر جلو
اتصال سپر عقب GRS GT GTBGL GTBL LBP LHP LIMD RCG
کاپوت و گلگیر جلو
لولا قفل کاپوت
پنل داش محافظ گلگیر جلو
تیر کناری کف
محفظه دستکش پنل دستگاه
شیشه جلو پنل محافظ
درپوش سوراخ
پنل عقب پایین پنل کف
عایق کف
فرش کفپوش
براکت جعبه کنسول
تیر کناری
تهویه کناری سقف
شیشه لچکی
شیشه پنجره عقب پنل سقف
در محفظه صندوق قفل
تریم داخل تخته درب بازشو نوار تزئینی
بالشتک صدا خفه کن پوشش سقف
محفظه صندوق بسته سینی پنل کفپوش
شیشه پنل درب جلو
دستگیره قفل درب جلو
لولا تنظیمکننده شیشه درب جلو
مجموعه سیلندر قفل GR GRS GT GTBGL GTBL LBP LHP LIMD
ریل صندلی جلو
ریل صندلی جلو چپ
ریل صندلی جلو راست
ریل صندلی عقب
صندلی محدودکننده کودک کمربند صندلی
آفتابگیر دسته صندلی
نگهدارنده باتری
صفحه هشدار (EXTERIOR INTERIOR)
صفحه نام نشان (EXTERIOR INTERIOR)
نوار تزئینی کناری
نوار تزئینی عقب
اسپویلر گلگیر RCG GR GRS GT GTBGL GTBL LBP LHP LIMD
لوله باک سوخت
اتصال شتابدهنده