سبد خرید خالی است
ابزار استاندارد
مجموعه جزئی موتور
بلوک کوتاه مجموعه
تعمیر اساسی موتور واشر کیت
سر سیلندر
بلوک سیلندر
دنده تایمینگ درپوش عقب END صفحه
نصب
شیلنگ تهویه
میل لنگ پیستون
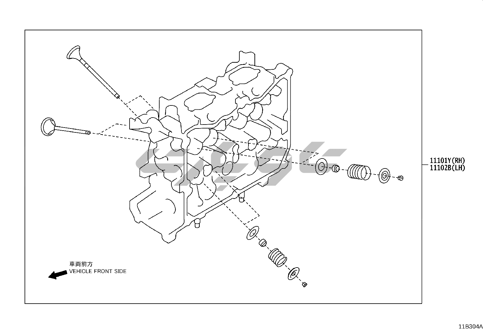
میل بادامک سوپاپ
پمپ روغن موتور
فیلتر روغن
پمپ آب amp
پمپ آب
خروجی آب رادیاتور
V-BELT
منیفولد (لوله ورودی/خروجی موتور)
لوله اگزوز
لوله اگزوز GRS GT GTBGL GTBL LBP LHP LIMD RCG
فیلتر هوا
لوله وکیوم
کویل جرقه، شمع، شمع گرمکن
دینام 12 ولت 130A
استارت 12 ولت
پمپ وکیوم
سیستم تزریق سوخت