سبد خرید خالی است
کاور زیر تیر عرضی تعلیق GT GTBGL GTBL LBP LHP LIMD RCG
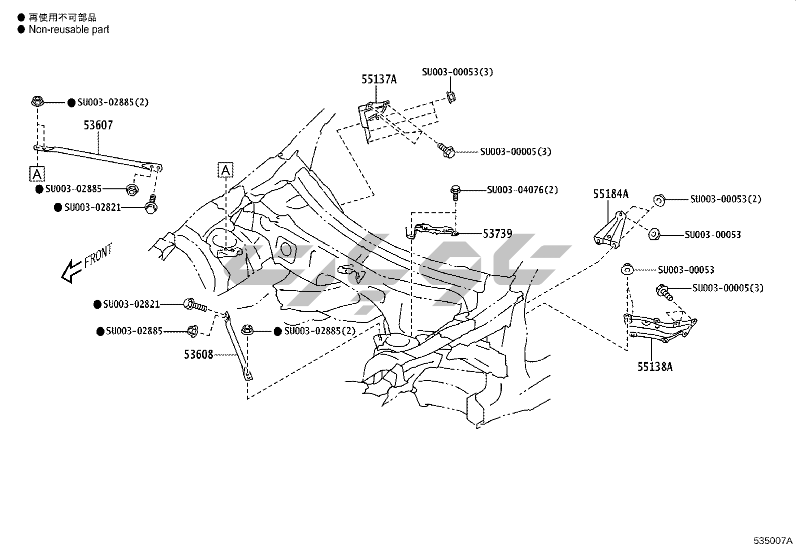
کاور زیر تیر عرضی تعلیق
نگهدارنده چرخ زاپاس GT GTBGL LIMD
اتصال سپر جلو
اتصال سپر عقب GRS GT GTBGL GTBL LBP LHP LIMD RCG
کاپوت و گلگیر جلو
لولا قفل کاپوت
پنل داش محافظ گلگیر جلو
تیر کناری کف
محفظه دستکش پنل دستگاه
شیشه جلو پنل محافظ
درپوش سوراخ
پنل عقب پایین پنل کف
عایق کف
فرش کفپوش
براکت جعبه کنسول
تیر کناری
تهویه کناری سقف
شیشه لچکی
شیشه پنجره عقب پنل سقف
در محفظه صندوق قفل
تریم داخل تخته درب بازشو نوار تزئینی
بالشتک صدا خفه کن پوشش سقف
محفظه صندوق بسته سینی پنل کفپوش
شیشه پنل درب جلو
دستگیره قفل درب جلو
لولا تنظیمکننده شیشه درب جلو
مجموعه سیلندر قفل GR GRS GT GTBGL GTBL LBP LHP LIMD
ریل صندلی جلو GT LBP LHP LIMD RCG SOLI E GRS GT LBP LIMD RCG GRS GT GTBGL LBP LIMD RCG
ریل صندلی جلو چپ GT LBP LHP LIMD RCG SOLI E GRS GT LBP LIMD RCG GRS GT GTBGL LBP LIMD RCG
ریل صندلی جلو راست GT LBP LHP LIMD RCG SOLI E GRS GT LBP LIMD RCG GRS GT GTBGL LBP LIMD RCG
ریل صندلی عقب
صندلی محدودکننده کودک کمربند صندلی
آفتابگیر دسته صندلی
نگهدارنده باتری
صفحه هشدار (EXTERIOR INTERIOR)
صفحه نام نشان (EXTERIOR INTERIOR)
نوار تزئینی کناری
نوار تزئینی عقب
اسپویلر گلگیر RCG GR GRS GT GTBGL GTBL LBP LHP LIMD
لوله باک سوخت
اتصال شتابدهنده