سبد خرید خالی است
کاور زیر تیر عرضی تعلیق
اتصال سپر جلو
اتصال سپر عقب
کاپوت و گلگیر جلو
لولا قفل کاپوت
پنل داش محافظ گلگیر جلو
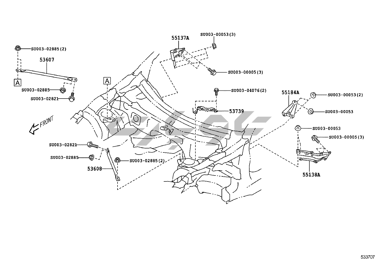
تیر کناری کف
محفظه دستکش پنل دستگاه
شیشه جلو پنل محافظ
درپوش سوراخ
پنل عقب پایین پنل کف
عایق کف
فرش کفپوش
براکت جعبه کنسول
تیر کناری
تهویه کناری سقف
شیشه لچکی
شیشه پنجره عقب پنل سقف
در محفظه صندوق قفل
تریم داخل تخته درب بازشو نوار تزئینی
بالشتک صدا خفه کن پوشش سقف
محفظه صندوق بسته سینی پنل کفپوش
شیشه پنل درب جلو
دستگیره قفل درب جلو
لولا تنظیمکننده شیشه درب جلو
مجموعه سیلندر قفل
ریل صندلی جلو
ریل صندلی جلو چپ
ریل صندلی جلو راست
ریل صندلی عقب
صندلی محدودکننده کودک کمربند صندلی
آفتابگیر دسته صندلی
نگهدارنده باتری
صفحه هشدار (EXTERIOR INTERIOR)
صفحه نام نشان (EXTERIOR INTERIOR)
نوار تزئینی کناری
نوار تزئینی عقب
لوله باک سوخت
اتصال شتابدهنده